원문 출처 Reference: https://circuitdigest.com/tutorial/how-to-design-a-push-pull-converter
How to Design a Push Pull Converter – Basic Theory, Construction, and Demonstration
When it comes to working with power electronics, a DC-DC converter topology becomes very crucial for practical designs. There are mainly two types of major DC-DC conversion topologies available in power electronics, namely, the switching converter and the
circuitdigest.com
DC-DC 컨버터는 전력 전자기기의 작동에 매우 실용적입니다. 전력 전자기학의 주요 DC-DC 변환 방법에는 스위칭 컨버터와 선형(Linear) 컨버터가 있습니다.
그리고 또 다른 방법으로 Push Pull 컨버터가 있습니다.
푸쉬 풀 컨버터의 작동원리는 무엇일까요? 푸쉬 풀 회로를 구축할 때 어떤 구성 요소들이 중요할까요? 그럼, 한번 읽어보고 필요한 답을 다 찾아보세요.
그럼, 본론으로 들어갑시다.
Push-Pull Converter 설계하기
이름에 정답이 있습니다. 푸시와 풀은 두 가지 반대 의미를 지닙니다. '밀다'는 사람이나 물체를 힘으로 한쪽으로 밀어 앞으로 이동시키는 것을 말한다. 퍼블리싱 DC-DC 컨버터에서 퍼블리싱 DC-DC 컨버터는 퍼블리싱 전류 또는 공급 전류를 정의합니다. 인장력은 무엇을 의미합니까? 사전에는 다시 한번 자신을 향해 움직이기 위해 누군가 또는 무언가에 힘을 준다고 알려져 있습니다.
따라서, Push Pull 컨버터는 끊임없이 전류가 밀어 들어오는 스위치 컨버터입니다. 이것은 회소 변압기 혹은 전기 센서의 일종이다. 전류가 끊임없이 변압기에서 밀려 나옵니다. 이 만장 법을 사용해 변압기가 자기 통을 2차 코일에 전달하고 일종의 격리된(Isolated) 전압을 제공합니다.
스위치 조절기의 일종이기 때문에 스위치 조절기가 필요하기 때문에 변압기는 전류를 밀어 당겨야 합니다. 여기엔 비동기 푸쉬 풀 드라이브가 필요합니다. 분명히 이 스위치는 다른 유형의 트랜지스터나 MOSFET에 의해 만들어집니다.
시중에 나와있는 상용 드라이브도 많습니다.
아래 목록에는 이러한 드라이버 IC를 보여줍니다.
- LT3999
- MAX258
- MAX13253
- LT3439
- TL494
Push Pull Converter 동작 원리
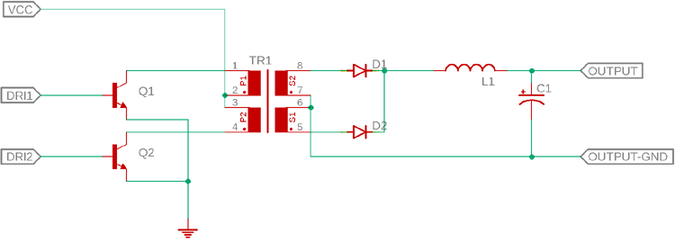
Push Pull 컨버터의 작동원리를 이해하기 위해 기본 컨버터의 Half Bridge Push Pull 회로를 만들었습니다. 그리고 또 하나의 흔한 방법으로 Full Bridge Push Pull 컨버터가 있습니다.

2개의 NPN 트랜지스터는 Push Pull 기능을 효과적으로 수행합니다. 두 트랜지스터 Q1과 Q2는 동시에 통할 수 없습니다. Q1을 열었을 때 Q2는 닫힌 상태이고, Q1을 닫았을 때 Q2는 열린 상태가 됩니다. 이렇게 순차 발생하여 순환 형태로 계속 진행합니다.
위에서 설명한 바와 같이 위 회로는 변압기를 사용하며, 이것이 Isolated Push Pull Converter 입니다.

위 화면은 Q1이 켜지고 Q2가 꺼진 상태를 보여줍니다. 따라서 전류는 변압기의 중심축으로 흘러 트랜지스터 Q1 접지를 거쳐 Q2가 변압기의 또 다른 축에 있는 전류의 흐름을 막습니다. 만약 Q2가 활성화되어 있다면, Q1이 활성화되어 있습니다. 비활성화 상태일 경우, 정반대 상황이 발생할 수 있습니다. 매번 전류 흐름이 변할 때마 다변압기가 에너지를 초기 측면에서 2차 측으로 전달합니다.

위의 그래프는 최초 회로에 전압이나 전류가 흐르지 않는 것을 확인하는데 도움이 됩니다. Q1 연결, 회로가 닫혔을 때 펌프에 항압이 가해집니다. 전류가 증가하기 시작한 후에 전압이 이차 측에 감지됩니다.
다음 단계에서 시간이 지연되면 트랜지스터 Q1이 off 되고 Q2가 연결됩니다. 여기에는 몇 가지 중요한 일이 있습니다. 변압기의 기생용 콘덴서와 전기 감응은 LC 회로를 형성하여 반대 극성으로 전환됩니다. 전하는 변압기의 다른 축을 통하여 반대쪽으로 감기 시작합니다. 방향은 환류하게 됩니다. 이러한 방식으로, 전류는 교체 모드로 이 두 트랜지스터에 의해 반복됩니다. 단, LC 회로와 변압기의 중심에서 당김(Pull) 때문에 미닫이 위상이라고 불립니다. 통상, 두 개의 트랜지스터는 트랜지스터가 전류를 당기지 않고 교대로 전류를 밀어 올립니다. 부하 파형은 톱니 파형과 유사하나 위의 파형은 표시되지 않습니다.
푸시-풀 컨버터 설계를 배웠으니 실제 회로를 만드는 것으로 넘어가서 벤치에서 분석할 수 있습니다. 하지만 그전에, 회로도를 살펴봅니다.
실제 Push Pull 컨버터를 제작하기 위해 필요한 소자들
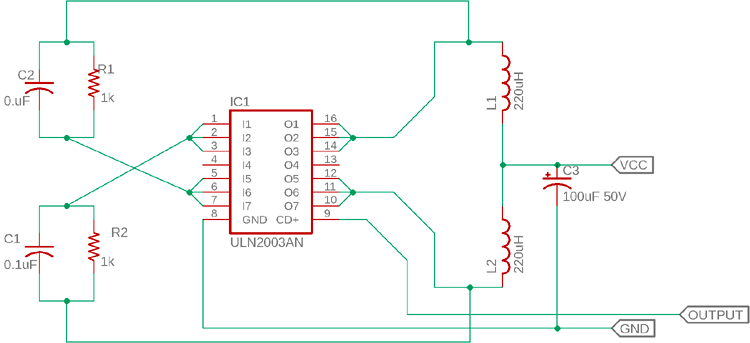
아래 회로는 빵판 위에 구성되어 있습니다. 회로 테스트에 사용되는 구성 요소는 다음과 같습니다.
- 2개의 인덕터 (220uH 5A toroidal inductor)
- 0.1uF polyester film capacitor - 2개
- 1k resistor 1% - 2개
- ULN2003 달링턴 트랜지스터
- 100uF 50V 캐패시터
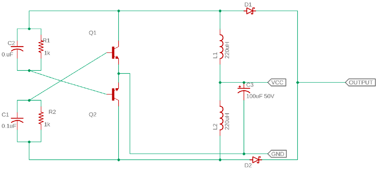
실제 Push Pull 컨버터 회로도

도면은 꽤 심플합니다. ULN2003은 달링턴 쌍 트랜지스터 어레이입니다. 이 트랜지스터 배열은 Freewheeling 다이오드가 칩셋 안에서 사용 가능하고 추가 부품이 필요하지 않으므로, 브레드보드에서 추가적인 복잡한 라우팅을 피할 수 있기 때문에 유용합니다. 동기식 드라이버의 경우 트랜지스터를 동기적으로 켜고 끄는 간단한 RC 타이머를 사용하여 인덕터 전체에서 푸시-풀 효과를 생성합니다.
실제 Push Pull 컨버터의 동작
회로의 작동은 간단합니다. 달링턴 쌍을 제거하고 2개의 트랜지스터 Q1과 Q2를 사용하여 회로를 단순화합시다.

RC 네트워크는 Q1 및 Q2 베이스와 교차 위치에 연결되며, 이 베이스는 재생 피드백이라고 불리는 피드백 기술을 사용하여 대체 트랜지스터를 켭니다.
이렇게 작동하기 시작합니다. 변압기의 중앙 탭(두 인덕터 사이의 공통 연결부)에 전압을 가하면 전류가 변압기를 통과합니다. 음의 극성과 극성의 포화와 플럭스 밀도에 따라 전류는 먼저 C1과 R1 또는 C2와 R2를 충전한다. C1과 R1이 먼저 전류를 얻는다고 가정합시다. C1 및 R1은 트랜지스터 Q2를 켜는 타이머를 제공합니다. 변압기의 L2 부분은 자속을 사용하여 전압을 유도합니다. 이 상황에서 C2와 R2는 충전을 시작하고 Q1을 켭니다. 변압기의 L1 부분은 전압을 유도합니다. 타이밍 또는 주파수는 입력 전압, 변압기 또는 인덕터의 포화 유량, 1차 회전, 코어의 단면 제곱센티미터 면적에 전적으로 의존합니다. 빈도의 공식은 다음과 같습니다.
f = (Vin * 108) / (4 * βs * A * N)
여기서 Vin은 입력 전압, 108은 상수 값, βs는 변압기에 반사될 코어의 포화 플럭스 밀도, A는 단면적, N은 회전수입니다.
Push Pull 컨버터 회로 실험
회로는 빵판으로 구성되며 전력이 서서히 증가합니다. 입력 전압은 2.16V인 반면 출력 전압은 8.12V로 입력 전압의 거의 4배입니다.
그러나 이 회로는 피드백을 사용하지 않으므로 출력 전압이 일정하지 않고 절연되지도 않습니다.
푸시-풀의 주파수와 전환은 오실로스코프로 볼 수 있습니다.

따라서 회로는 이제 출력 전압이 일정하지 않은 푸시-풀 부스트 컨버터 역할을 합니다. 이 푸시-풀 컨버터는 최대 2W까지 와트수를 제공할 수 있을 것으로 예상되지만, 피드백 발생이 되지 않아 테스트하지 않았습니다.
결론
이 회로는 푸시-풀 컨버터의 간단한 형태입니다. 그러나 항상 원하는 출력에 적절한 푸시-풀 드라이버 IC를 사용하는 것이 좋습니다. 회로는 절연 또는 비절연 방식으로 구성될 수 있으며 푸시-풀 변환의 모든 토폴로지를 구축할 수 있습니다.
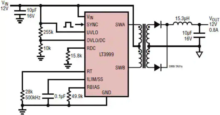
아래 회로는 제어된 푸시풀 DC-DC 컨버터의 적절한 회로입니다. LT3999 for Analog Device (Linear Technologies)를 사용하는 1:1 푸시-풀 컨버터입니다.

'전자 | 제어 | 항공우주 > 전자 HW 설계' 카테고리의 다른 글
| [Embedded] [메모리 종류 - 2/3] SRAM vs DRAM (1) | 2022.12.18 |
|---|---|
| [Embedded] [메모리 종류 - 1/3], 임베디드 시스템에서의 메모리 (1) | 2022.12.18 |
| [기본&실무] LDO 레귤레이터 (ft.TI Datasheet) (0) | 2022.04.28 |
| [기초&실무] 슈미트 트리거(Schmitt Trigger) 및 디지털 회로 설계 (4) | 2022.04.18 |
| [실무] RS-485 통신의 Failsafe 회로 이해+설계하기 (2) | 2022.04.14 |
댓글