OrCAD 블로그 강의 소개
※ OrCAD 17.2 버전이며, 거의 모든 경우에서 16.5, 16.6, 17.4 버전으로 호환이 가능합니다.
전자캐드기능사 시험에 필요한 내용을 기준으로 작성되었으며, 그 외 학생이나, 실무 초보용으로도 가능합니다.
(강의기준: 전자캐드기능사 2020년 3회 실기 기출 문제)

부품 규격 확인
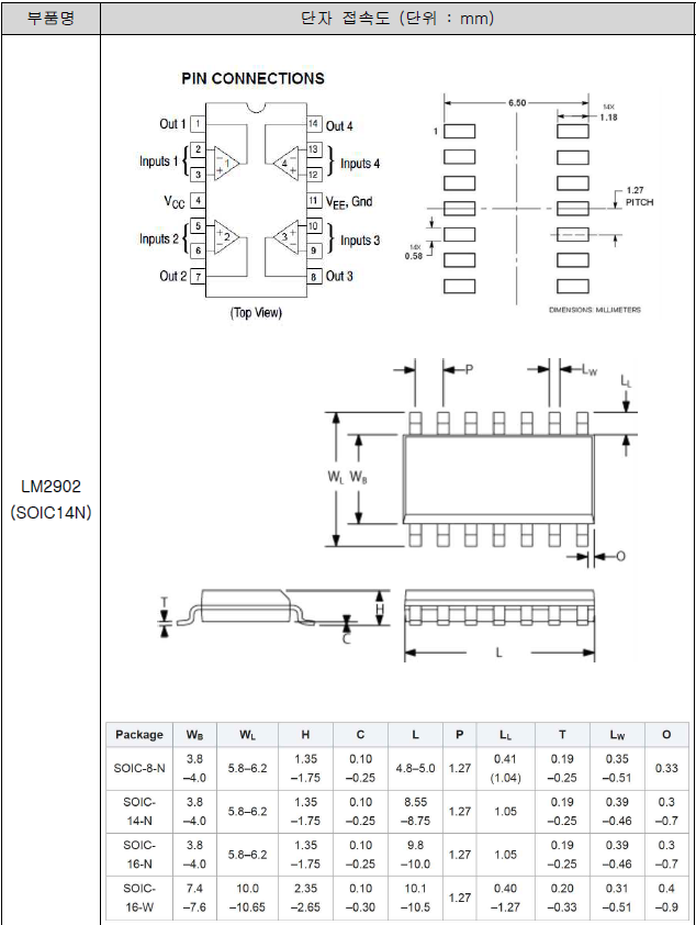
예시부품: LM2902 (SOIC14N)

위 사진은 기출문제 첨부파일에 있는 부분이에요. 시험에서는 만들어야할 부품에 대한 정보를 이렇게 제공해줍니다.
(시험이 아닌 일반 사용자분들께서는 부품의 Datasheet를 살펴보면 됩니다)
부품 Library 만들기 (Schematic Library)

File -> New -> Library 클릭

생성된 library1.olb 우클릭 후 New Part 클릭

파트명을 입력 -> Package Type에 Heterogeneous를 클릭 -> Parts per Pkg에 4 입력 -> OK클릭
(PCB Footprint는 아직 안 만들었으므로 skip)
※ Package Type 설명
Homogeneous: 파트 하나를 하나의 심볼로 만듭니다. (ex. 네모난 칩모양)
Heterogeneous: 파트 하나를 여러개의 심볼로 쪼갤 수 있습니다. 예를들어, 이 파트의 경우 OpAmp 4개로 구성되어 있는데, 여러분이 알고있는 그 삼각형 OpAmp 모양 4개로 파트 심볼을 만들 수 있다는 뜻입니다.

자 이렇게 A, B, C, D로 총 4개의 Symbol을 그릴 수 있는 탭이 생겼습니다. 이제 예제에 나온 것과 같은 모양으로 OpAmp를 그려봅시다.
부품 그리기


왼쪽에 도형그리기 도구들을 이용해 모양은 만들어봅시다.

참고로 예쁘게 그려주려면 상단바에 있는 Snap to Grid를 해제해줘야합니다. (해보면 바로 알게됩니다.)

자, 위에 사진과 같이 예쁘게 그려줬습니다. 이제 얘를 복사해서 B, C, D 탭에도 모두 붙여넣기를 해봅시다.
파워선은 A탭에다가만 달아줬습니다. (다른 프로그램은 모르겠다만, OrCAD는 하나에다가만 달면 됩니다.)
Pin 생성하기


왼쪽 바에 있는 Place Pin을 클릭 -> 속성 입력 -> 해당 위치에 클릭
(Shape: 사실상 본인 취향이긴 합니다)
(Type: 사실상 파워빼곤 전부다 Passive로 해버려도 상관없긴합니다. ERC나 더 정확한 설계를 위해 구분하는 것일 뿐, 특별한 기능은 없습니다)
이러한 방법으로 모든 핀을 다 만들어줍니다. (노가다긴 합니다)

사실 이러한 노가다가 귀찮으면 그냥 핀이 위치할 곳에 전부 다 핀을 달아준 다음에, 왼쪽에 나타난 창에서 손을 보거나 Edit pins 에서 수정하는게 더 편하긴 합니다.
열심히 노가다로 핀을 다 달아주면 이제 완성입니다.

자, 위 사진과 같이 만들어줬습니다. Pin Name Visible 은 체크 해제해주세요. 있어봐야 지저분합니다.
이로써 Schematic Symbol 만들기 끝!!
다음으로, 이 Symbol에 해당하는 Footprint를 만들어주면 됩니다.
이번 편에서는 Heterogeneous 심볼 생성 방법을 알아봤는데요, 아래는 Homogeneous 심볼 생성 방법입니다.
OrCAD 새로운 부품 생성하기 - Schematic Symbol (Homogeneous) (feat.전자캐드기능사)
OrCAD 새로운 부품 생성하기 - Schematic Symbol (Homogeneous) (feat.전자캐드기능사)
OrCAD 블로그 강의 소개 ※ OrCAD 17.2 버전이며, 거의 모든 경우에서 16.5, 16.6, 17.4 버전으로 호환이 가능합니다. 전자캐드기능사 시험에 필요한 내용을 기준으로 작성되었으며, 그 외 학생이나, 실무
johnnyjay.tistory.com
'전자 | 제어 | 항공우주 > OrCAD 설계' 카테고리의 다른 글
| [OrCAD] SnapEDA 활용하기 -1 (온라인 Library, Symbol, Package, Footprint) (7) | 2022.05.06 |
|---|---|
| OrCAD 새로운 부품 생성하기 - Schematic Symbol (Homogeneous) (feat.전자캐드기능사) (0) | 2022.05.05 |
| Eagle CAD 무료 버전 다운로드 방법 및 링크 (4) | 2022.04.26 |
| [전자캐드기능사 실기01] OrCAD v17.2 - 프로젝트 생성 및 타이틀 작성 (6) | 2022.04.09 |
| OrCAD Lite 17.2 / 16.6 무료 다운로드 (1) | 2022.04.04 |
댓글